上海煦韵传动件有限公司

地址:上海市会文路50号1117室

电话:021-56625364、56304826

DURBAL之BRF

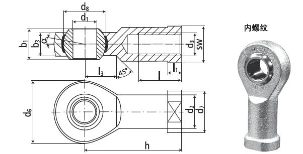
型号 尺 寸 [mm]
d1 d2 d3 d4 d6 d7 b1 b3 h I I1 I3 SW α[°]
DURBAL_BRF06 6 10 M6 9 20 13 9 6.75 30 12 5 10 11 8.0
DURBAL_BRF08 8 12.5 M8 10.5 24 16 12 9 36 16 5 12 14 8.5
DURBAL_BRF10 10 15 M10 12 28 19 14 10.5 43 20 6.5 15 17 8.0
DURBAL_BRF12 12 17.5 M12 14.5 32 22 16 12 50 22 6.5 16 19 7.5
DURBAL_BRF14 14 20 M14 17 36 25 19 13.5 57 25 8 20 22 6.0
DURBAL_BRF16 16 22 M16 19 42 27 21 15 64 28 8 22 22 8.0
DURBAL_BRF18 18 25 M18x1.5 21.5 46 31 23 16.5 71 32 10 24 27 8.5
DURBAL_BRF20 20 27.5 M20x1.5 24.5 50 34 25 18 77 33 10 26 30 7.0
DURBAL_BRF22 22 30 M22x1.5 26 54 38 28 20 84 37 12 26 32 8.0
DURBAL_BRF25 25 30 M24x2 29.5 64 35 31 22 94 42 10 32 30 5.0
DURBAL_BRF30 30 40 M30x2 34.5 70 50 37 25 110 51 15 35 41 7.5

DURBAL之BRM

型号 尺 寸 [mm]
d1 d3 d4 d6 b1 b3 h I I3 α[°]
DURBAL_BRM06 6 M6 9 20 9 6.75 36 22 12 8.0
DURBAL_BRM08 8 M8 10.5 24 12 9 42 25 15 8.5
DURBAL_BRM10 10 M10 12 28 14 10.5 48 29 15 8.0
DURBAL_BRM12 12 M12 14.5 32 16 12 54 33 19 7.5
DURBAL_BRM14 14 M14 17 36 19 13.5 60 36 20 6.0
DURBAL_BRM16 16 M16 19 42 21 15 66 40 22 8.0
DURBAL_BRM18 18 M18x1.5 21.5 46 23 16.5 72 44 25 8.5
DURBAL_BRM20 20 M20x1.5 24.5 50 25 18 78 47 28 7.0
DURBAL_BRM22 22 M22x1.5 26 54 28 20 84 51 26 8.0
DURBAL_BRM25 25 M24x2 29.5 64 31 22 94 57 30 5.0
DURBAL_BRM30 30 M30x2 34.5 70 37 25 110 66 35 7.5

DURBAL之BRTF

型号 尺 寸 [mm]
d1 d2 d3 d4 d6 d7 b1 b3 h I I1 I3 SW α[°]
DURBAL_BRTF12 12 17.5 M12 14.5 32 22 16 12 50 22 6.5 16 19 7.5
DURBAL_BRTF16 16 22 M16 19 42 27 21 15 64 28 8 22 22 7.0
DURBAL_BRTF20 20 27.5 M20x1.5 24.5 50 34 25 18 77 33 10 26 30 7.0
DURBAL_BRTF25 25 30 M24x2 29.5 64 35 31 22 94 42 10 32 30 5.0
DURBAL_BRTF30 30 40 M30x2 34.5 70 50 37 25 110 51 15 35 41 7.5

DURBAL之BRTM

型号 尺 寸 [mm]
d1 d3 d4 d6 b1 b3 h I I3 α[°]
DURBAL_BRTM12 12 M12 14.5 32 16 12 54 33 19 7.5
DURBAL_BRTM16 16 M16 19 42 21 15 66 40 22 7.0
DURBAL_BRTM20 20 M20x1.5 24.5 50 25 18 78 47 28 7.0
DURBAL_BRTM25 25 M24x2 29.5 64 31 22 94 57 30 5.0
DURBAL_BRTM30 30 M30x2 34.5 70 37 25 110 66 35 7.5

DURBAL之BEF

型号 尺 寸 [mm]
d1 d2 d3 d6 d7 d8 b1 b3 h I I1 I3 SW α1[°] α2[°]
DURBAL_BEF05 5 9 M5 18 11 11.06 8 6 27 10 4 10 9 13 7.5
DURBAL_BEF05SO 5 9 M4 18 11 11.06 8 6 27 10 4 10 9 13 7.5
DURBAL_BEF06 6 10 M6 20 13 12.65 9 6.75 30 12 5 10 11 13 6.5
DURBAL_BEF08 8 12.5 M8 24 16 15.82 12 9 36 16 5 12 14 14.5 7.5
DURBAL_BEF10 10 15 M10 28 19 19 14 10.5 43 20 6.5 15 17 13.5 8
DURBAL_BEF10SO 10 15 M10x1.25 28 19 19 14 10.5 43 20 6.5 15 17 13.5 8
DURBAL_BEF12 12 17.5 M12 32 22 22.17 16 12 50 22 6.5 16 19 13 8
DURBAL_BEF12SO 12 17.5 M12x1.25 32 22 22.17 16 12 50 22 6.5 16 19 13 8
DURBAL_BEF14 14 20 M14 36 25 25.35 19 13.5 57 25 8 20 22 16 9.5
DURBAL_BEF16 16 22 M16 42 27 28.52 21 15 64 28 8 22 22 15.5 8.5
DURBAL_BEF16SO 16 22 M16x1.5 42 27 28.52 21 15 64 28 8 22 22 15.5 8.5
DURBAL_BEF18 18 25 M18x1.5 46 31 31.7 23 16.5 71 32 10 24 27 15 9.5
DURBAL_BEF20 20 27.5 M20x1.5 50 34 34.87 25 18 77 33 10 26 30 14.5 9
DURBAL_BEF22 22 30 M22x1.5 54 38 38.05 28 20 84 37 12 26 32 15.5 10
DURBAL_BEF25 25 33.5 M24x2 60 42 42.8 31 22 94 42 12 30 36 15 10
DURBAL_BEF30 30 40 M30x2 70 50 50.75 37 25 110 51 15 35 41 17 10.5
DURBAL_BEF30SO 30 40 M27x2 70 50 50.75 37 25 110 51 15 35 41 17 10.5

DURBAL之BEM

型号 尺 寸 [mm]
d1 d3 d6 d8 b1 b3 h I I3 α1[°] α2[°]
DURBAL_BEM05 5 M5 18 11.06 8 6 33 20 9 13 7.5
DURBAL_BEM06 6 M6 20 12.65 9 6.75 36 22 12 13 6.5
DURBAL_BEM08 8 M8 24 15.82 12 9 42 25 15 14.5 7.5
DURBAL_BEM10 10 M10 28 19 14 10.5 48 29 15 13.5 8
DURBAL_BEM12 12 M12 32 22.17 16 12 54 33 19 13 8
DURBAL_BEM14 14 M14 36 25.35 19 13.5 60 36 20 16 9.5
DURBAL_BEM16 16 M16 42 28.52 21 15 66 40 22 15.5 8.5
DURBAL_BEM18 18 M18x1.5 46 31.7 23 16.5 72 44 25 15 9.5
DURBAL_BEM20 20 M20x1.5 50 34.87 25 18 78 47 28 14.5 9
DURBAL_BEM22 22 M22x1.5 54 38.05 28 20 84 51 26 15.5 10
DURBAL_BEM25 25 M24x2 60 42.8 31 22 94 57 30 15 10
DURBAL_BEM30 30 M30x2 70 50.75 37 25 110 66 35 17 10.5

DURBAL之EF

型号 尺 寸 [mm]
d1 d2 d3 d6 d8 b1 b3 h I I3 I4 I5 SW α1[°] α2[°]
DURBAL_EF06 6 10 M6 20 10 6 4 30 12 11 9 13 6.5
DURBAL_EF08 8 13 M8 23 13 8 5 36 16 12 11 15 8
DURBAL_EF10 10 16 M10 28 16 9 6 43 20 13 14 12 6
DURBAL_EF10SO 10 16 M10x1.25 28 16 9 6 43 20 13 14 12 6
DURBAL_EF12 12 19 M12 32 18 10 7 50 22 15 17 10.5 5
DURBAL_EF12SO 12 19 M12x1.25 32 18 10 7 50 22 15 17 10.5 5
DURBAL_EF15 15 22 M14 38 22 12 9 61 25 18 19 8.5 4.5
DURBAL_EF17 17 25 M16 44 25 14 10 67 28 20 22 10 5.5
DURBAL_EF20 20 28 M20x1.5 51 29 16 12 77 33 23 24 9 4.5
DURBAL_EF25 25 35 M24x2 62 35.5 20 16 94 42 30 30 7.5 3.5
DURBAL_EF30 30 42 M30x2 70 40.7 22 18 110 51 32 36 6 3
DURBAL_EF35 35 50 M36x3 82 47 25 20 125 38 36 61 41 6.5 3.5
DURBAL_EF35SO 35 50 M36x2 82 47 25 20 130 38 41 66 41 6.5 3.5
DURBAL_EF40 40 58 M42x3 92 53 28 22 145 42 42 71 50 7 3.5
DURBAL_EF40SO 40 52 M39x3 92 53 28 22 142 42 39 66 46 7 3.5
DURBAL_EF45 45 67 M45x3 102 60 32 25 165 50 45 76 55 7.5 4
DURBAL_EF45SO 45 58 M42x3 102 60 32 25 145 50 42 66 50 7.5 4
DURBAL_EF50 50 70 M52x3 112 66 35 28 195 60 52 89 60 6.5 3
DURBAL_EF50SO 50 62 M45x3 112 66 35 28 160 60 45 69 55 6.5 3
DURBAL_EF60 60 82 M60x4 135 80 44 36 225 70 60 103 70 6.5 3.5
DURBAL_EF60SO 60 71 M52x3 135 80 44 36 175 70 52 71 60 6.5 3.5

DURBAL之EM

型号 尺 寸 [mm]
d1 d3 d6 d8 b1 b3 h I I3 α1[°] α2[°]
DURBAL_EM06 6 M6 20 10 6 4 36 22 11 13 6.5
DURBAL_EM08 8 M8 23 12 8 5 42 25 12 15 8
DURBAL_EM10 10 M10 28 16 9 6 48 29 15 12 6
DURBAL_EM12 12 M12 32 18 10 7 54 33 15 10.5 5
DURBAL_EM15 15 M14 38 22 12 9 63 36 18 8.5 4.5
DURBAL_EM17 17 M16 44 25 14 10 69 40 23 10 5.5
DURBAL_EM20 20 M20x1.5 51 29 16 12 78 47 25 9 4.5
DURBAL_EM25 25 M24x2 62 35.5 20 16 94 57 32 7.5 3.5
DURBAL_EM30 30 M30x2 70 40.7 22 18 110 66 35 6 3
DURBAL_EM35 35 M36x3 82 47 25 20 140 92 38 6.5 3.5
DURBAL_EM40 40 M42x3 92 53 28 22 145 94 42 7 3.5
DURBAL_EM40SO 40 M39x3 92 53 28 22 150 99 42 7 3.5
DURBAL_EM45 45 M45x3 102 60 32 25 165 100 50 7.5 4
DURBAL_EM45SO 45 M42x3 102 60 32 25 163 98 50 7.5 4
DURBAL_EM50 50 M52x3 112 66 35 28 195 120 60 6.5 3
DURBAL_EM50SO 50 M45x3 112 66 35 28 185 110 60 6.5 3
DURBAL_EM60 60 M60x4 135 80 44 36 225 140 70 6.5 3.5
DURBAL_EM60SO 60 M52x3 135 80 44 36 210 125 70 6.5 3.5

DURBAL之PF

型号 尺 寸 [mm]
d1 d2 d3 d4 d6 b1 b3 h I I3 r SW α[°]
DURBAL_PF10 10 15 M8 13 30 13 9 38 17 14.5 10 13 7
DURBAL_PF15 15 19 M12 17.5 40 16.5 12 51 24 20 15 17 7
DURBAL_PF20 20 22 M16 24 48 20.5 15 65 32 22 20 19 6.5

DURBAL之PM

型号 尺 寸 [mm]
d1 d3 d4 d6 d7 b1 b3 I1 I2 I3 h1 h2 u z α[°]
DURBAL_PM05 5 M8x1 7.5 19 12 12 8 39.5 13 57 1.5 2.5 7
DURBAL_PM05-01 5 M8x1 7.5 19 12 12 8 16 13 33.5 1.5 2.5 7
DURBAL_PM06 6 M10x1 8.5 24 14 14 10 42.5 17 64 1.5 2.5 10.5
DURBAL_PM06-01 6 M10x1 8.5 24 14 14 10 16 17 40.5 1.5 2.5 10.5
DURBAL_PM08 8 M12x1.5 11 30 17 15 10 46.5 20 72 2 2.5 8.5
DURBAL_PM08-01 8 M12x1.5 11 30 17 15 10 23 20 48.5 2 2.5 8.5
DURBAL_PM10 10 M14x1.5 13.5 36 19 20 14 49.5 28 82 2.5 2.5 9.5
DURBAL_PM10-01 10 M14x1.5 13.5 36 19 20 14 26 28 58.5 2.5 2.5 9.5
DURBAL_PM12 12 M16x1.5 15 40 21 20 14 53.5 31 90 3 2.5 7.5
DURBAL_PM12-01 12 M16x1.5 15 40 21 20 14 29 31 65.5 3 2.5 7.5
DURBAL_PM15 15 M20x1.5 18.5 42 26 20 14 62.5 30 100 3 2.5 6.5
DURBAL_PM15-01 15 M20x1.5 18.5 42 26 20 14 36 30 73.5 3 2.5 6.5
DURBAL_PM17 17 M20x1.5 21 48 26 22 16 62.5 36 105 3.5 2.5 7
DURBAL_PM17-01 17 M20x1.5 21 48 26 22 16 36 36 78.5 3.5 2.5 7
DURBAL_PM20 20 M24x1.5 24 56 30 24 18 68.5 41 117 3.5 3 5.5
DURBAL_PM20-01 20 M24x1.5 24 56 30 24 18 41 41 89.5 3.5 3 5.5

备注: DURBAL 关节轴承的螺纹分左旋和右旋,左旋为型号后加 502 ,右旋为型号后加 501 。

以下为 DURBAL 的完整型号表: (如不在下列的型号,请来电咨询)

DURBAL BRF06-00-501、DURBAL BRF06-00-502、DURBAL BRF08-00-501、DURBAL BRF08-00-502、DURBAL BRF10-00-501、DURBAL BRF10-00-502、
DURBAL BRF12-00-501、DURBAL BRF12-00-502、DURBAL BRF14-00-501、DURBAL BRF14-00-502、DURBAL BRF16-00-501、DURBAL BRF16-00-502 、
DURBAL BRF18-00-501、DURBAL BRF18-00-502、DURBAL BRF20-00-501、DURBAL BRF20-00-502、DURBAL BRF22-00-501、DURBAL BRF22-00-502、
DURBAL BRF25-00-501、DURBAL BRF25-00-502、DURBAL BRF30-00-501、DURBAL BRF30-00-502、
DURBAL BRM06-00-501、DURBAL BRM06-00-502、DURBAL BRM08-00-501、DURBAL BRM08-00-502、DURBAL BRM10-00-501、DURBAL BRM10-00-502、
DURBAL BRM12-00-501、DURBAL BRM12-00-502、DURBAL BRM14-00-501、DURBAL BRM14-00-502、DURBAL BRM16-00-501、DURBAL BRM16-00-502 、
DURBAL BRM18-00-501、DURBAL BRM18-00-502、DURBAL BRM20-00-501、DURBAL BRM20-00-502、DURBAL BRM22-00-501、DURBAL BRM22-00-502、
DURBAL BRM25-00-501、DURBAL BRM25-00-502、DURBAL BRM30-00-501、DURBAL BRM30-00-502、
DURBAL BEF05-20-501、DURBAL BEF05-20-502、DURBAL BEF05-21-501、DURBAL BEF05-21-502、DURBAL BEF06-20-501、DURBAL BEF06-20-502、
DURBAL BEF08-20-501、DURBAL BEF08-20-502、DURBAL BEF10-20-501、DURBAL BEF10-20-502、DURBAL BEF10-21-501、DURBAL BEF10-21-502、
DURBAL BEF12-20-501、DURBAL BEF12-20-502、DURBAL BEF12-21-501、DURBAL BEF12-21-502、DURBAL BEF14-20-501、DURBAL BEF14-20-502、
DURBAL BEF16-20-501、DURBAL BEF16-20-502、DURBAL BEF16-21-501、DURBAL BEF16-21-502、DURBAL BEF18-20-501、DURBAL BEF18-20-502、
DURBAL BEF20-20-501、DURBAL BEF20-20-502、DURBAL BEF22-20-501、DURBAL BEF22-20-502、DURBAL BEF25-20-501、DURBAL BEF25-20-502、
DURBAL BEF30-20-501、DURBAL BEF30-20-502、DURBAL BEF30-21-501、DURBAL BEF30-21-502、
DURBAL BEM05-20-501、DURBAL BEM05-20-501、DURBAL BEM06-20-501、DURBAL BEM06-20-502、DURBAL BEM08-20-501、DURBAL BEM08-20-502、
DURBAL BEM10-20-501、DURBAL BEM10-20-502、DURBAL BEM12-20-501、DURBAL BEM12-20-502、DURBAL BEM14-20-501、DURBAL BEM14-20-502、
DURBAL BEM16-20-501、DURBAL BEM16-20-502、DURBAL BEM18-20-501、DURBAL BEM18-20-502、DURBAL BEM20-20-501、DURBAL BEM20-20-502、
DURBAL BEM22-20-501、DURBAL BEM22-20-502、DURBAL BEM25-20-501、DURBAL BEM25-20-502、DURBAL BEM30-20-501、DURBAL BEM30-20-502、
DURBAL BRTF12-00-501、DURBAL BRTF12-00-502、DURBAL BRTF16-00-501、DURBAL BRTF16-00-502、DURBAL BRTF20-00-501、
DURBAL BRTF20-00-502、DURBAL BRTF25-00-501、DURBAL BRTF25-00-502、DURBAL BRTF30-00-501、DURBAL BRTF30-00-502、
DURBAL BRTM12-00-501、DURBAL BRTM12-00-502、DURBAL BRTM16-00-501、DURBAL BRTM16-00-502、DURBAL BRTM20-00-501、
DURBAL BRTM20-00-502、DURBAL BRTM25-00-501、DURBAL BRTM25-00-502、DURBAL BRTM30-00-501、DURBAL BRTM30-00-502、
DURBAL EF06-20-501、DURBAL EF06-20-502、DURBAL EF08-20-501、DURBAL EF08-20-502、DURBAL EF10-20-501、DURBAL EF10-20-502、
DURBAL EF10-21-501、DURBAL EF10-21-502、DURBAL EF12-20-501、DURBAL EF12-20-502、DURBAL EF12-21-501、DURBAL EF12-21-502、
DURBAL EF15-20-501、DURBAL EF15-20-502、DURBAL EF17-20-501、DURBAL EF17-20-502、DURBAL EF17-21-501、DURBAL EF17-21-502、
DURBAL EF20-20-501、DURBAL EF20-20-502、DURBAL EF25-20-501、DURBAL EF25-20-502、DURBAL EF30-20-501、DURBAL EF30-20-502、
DURBAL EF35-20-501、DURBAL EF35-20-502、DURBAL EF35-21-501、DURBAL EF35-21-502、DURBAL EF40-20-501、DURBAL EF40-20-502、
DURBAL EF40-21-501、DURBAL EF40-21-502、DURBAL EF45-20-501、DURBAL EF45-20-502、DURBAL EF50-21-501、DURBAL EF50-21-502、
DURBAL EF60-20-501、DURBAL EF60-20-502、DURBAL EF60-21-501、DURBAL EF60-21-502、
DURBAL EM06-20-501、DURBAL EM06-20-502、DURBAL EM08-20-501、DURBAL EM08-20-502、DURBAL EM10-20-501、DURBAL EM10-20-502、
DURBAL EM12-20-501、DURBAL EM12-20-502、DURBAL EM15-20-501、DURBAL EM15-20-502、DURBAL EM17-20-501、DURBAL EM17-20-502、
DURBAL EM20-20-501、DURBAL EM20-20-502、DURBAL EM25-20-501、DURBAL EM25-20-502、DURBAL EM30-20-501、DURBAL EM30-20-502、
DURBAL EM35-20-501、DURBAL EM35-20-502、DURBAL EM40-20-501、DURBAL EM40-20-502、DURBAL EM40-21-501、DURBAL EM40-21-502、
DURBAL EM45-20-501、DURBAL EM45-20-502、DURBAL EM45-21-501、DURBAL EM45-21-502、DURBAL EM50-20-501、DURBAL EM50-20-502、
DURBAL EM50-21-501、DURBAL EM50-21-502、DURBAL EM60-21-501、DURBAL EM60-21-502、DURBAL EM60-20-501、DURBAL EM60-20-502、
DURBAL PF10-00-501、DURBAL PF10-00-502、DURBAL PF15-00-501、DURBAL PF15-00-502、DURBAL PF20-00-501、DURBAL PF20-00-502、
DURBAL PM05-00-501、DURBAL PM05-00-502、DURBAL PM05-01-501、DURBAL PM05-01-502、DURBAL PM06-00-501、DURBAL PM06-00-502、
DURBAL PM08-00-501、DURBAL PM08-00-501、DURBAL PM08-01-501、DURBAL PM08-01-502、DURBAL PM10-00-501、DURBAL PM10-00-502、
DURBAL PM10-01-501、DURBAL PM10-01-502、DURBAL PM12-00-501、DURBAL PM12-00-502、DURBAL PM12-01-501、DURBAL PM12-01-502、
DURBAL PM15-00-501、DURBAL PM15-00-502、DURBAL PM15-01-501、DURBAL PM15-01-502、DURBAL PM17-00-501、DURBAL PM17-00-502、
DURBAL PM17-01-501、DURBAL PM17-01-502、DURBAL PM20-00-501、DURBAL PM20-00-502、DURBAL PM20-01-501、DURBAL PM20-01-502、
<返回上页> <返回首页>
上海煦韵传动件有限公司 版权所有
电话:021-56304826 56625364 传真:021-56304826